AUTOMATISIERUNG & MASCHINENBAU
Sondermaschinen
Förder- und Verpackungstechnik
Maschinenverkettungen
Robotik- und Handhabungstechnik
Revitalisierung und Retrovit
Spezial- und Teillösungen für
E-Planung (E-Plan PRO Panel, WSCAD)
Schaltschrankbau
SPS Programmierung (Siemens, Beckhoff, Allen Bradley, B&R)
Robotik (ABB, Kuka)
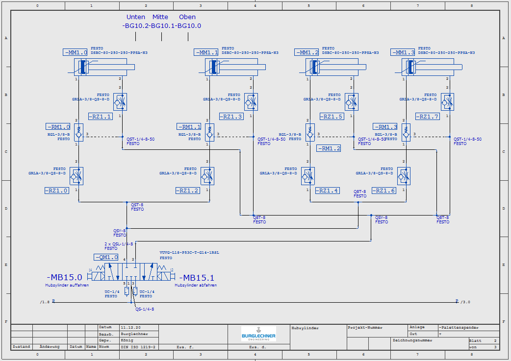
Pneumatik und Hydraulik (Fluid Sim)
Sicherheitstechnik (Sistema)
Mechanik und Konstruktion (Autocad, Inventor)
