AUTOMATION & MECHANICAL ENGINEERING
Special mechanical engineering machinery
Conveying and packaging technology
Robotics & Handling techniques
Revitalization & Retrovit
Special- and partial solutions for
E-Planning (E-Plan PRO Panel, WSCAD)
Control cabinet construction
SPS programming(Siemens, Beckhoff, Allen Bradley, B&R)
Robotics(ABB, Kuka)
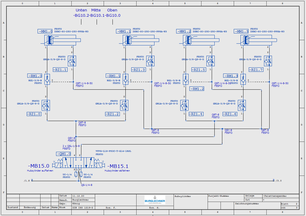
Pneumatics and hydraulics (Fluid Sim)
Security technology (Sistema)
Mechanics and construction (Autocad, Inventor)
